×
搜索
搜索
网站导航
首 页
关于我们
产品中心
产品应用
企业形象
联系我们
新闻中心
您的位置:
首页
→
产品中心
→
气缸系列
→
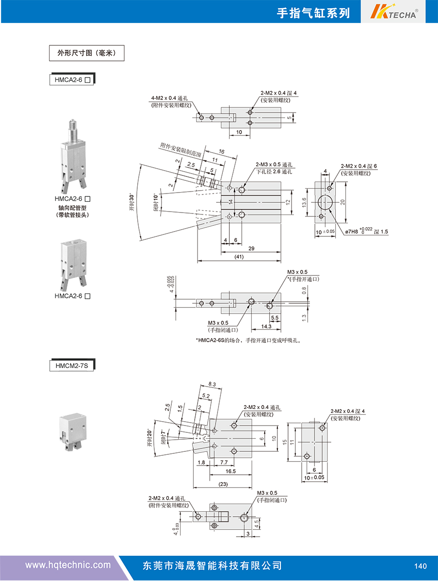
HMC系列支点开闭型手指气缸
HMC系列支点开闭型手指气缸
上一个:KG系列二位三通、二位四通、二位五通脚踏阀
下一个:H系列电磁阀
详情介绍
东莞市海晟智能科技有限公司 版权所有
技术支持:
东莞网站建设